Images of pain syndromes

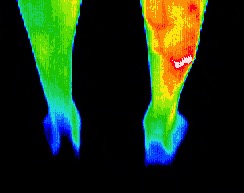
Stress fracture right ankle

Stress fracture right ankle